Toyota Land Cruiser Prado KDJ120L_DTC P0045

Модератор: alflash

vadimf
Сообщения: 111
Зарегистрирован: 25 фев 2016, 23:29

Toyota Land Cruiser Prado KDJ120L_DTC P0045

Сообщение vadimf »

Всем привет, тойота прадо VIN-JTEBZ29J000098206 не развивает обороты. неисправность сама может обнулиться, но в основном висит и не удаляется сканером.
С дизелями абсолютно не знаком, нет ни схем ни тех. док, но сильно попросили разобраться. Подскажите с чего начать?
Аватара пользователя
alflash
Сообщения: 4214
Зарегистрирован: 18 фев 2007, 21:46
Откуда: Одесса
Контактная информация:

Re: Toyota Land Cruiser Prado KDJ120L_DTC P0045

Сообщение alflash »

vadimf писал(а):Всем привет, тойота прадо ... не развивает обороты. неисправность сама может обнулиться, но в основном висит и не удаляется сканером.
С дизелями абсолютно не знаком, нет ни схем ни тех. док, но сильно попросили разобраться. Подскажите с чего начать?
Как известно, DTC P0045/34 = TURBO/SUPER CHARGER BOOST CONTROL SOLENOID CIRCUIT / OPEN/
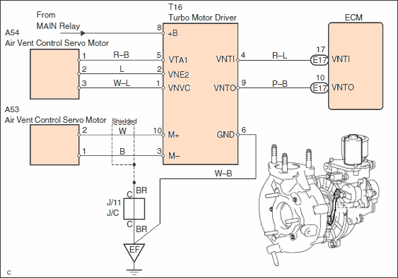
1. Предполагаю, а фотки матчасти могут это подтвердить, что в эту систему входят: турбокомпрессор типа Variable Nozzle (VN), электропривод, датчик положения лопастей и управляющий драйвер:
000.gif
2. При этом коде БУ переходит в режим FAIL–SAFE, при котором Limits engine power.
3. В первую очередь (после опроса клиента о предыстории "вопроса"), надо выполнить Health Check и посмотреть FFD.
4. В Data Stream узнать значения VNT turbo type (0: Not, 1: Commo, 2: Vacuum), VNT Max Angle (0 to 100%), Min Angle (0 to 100%) при ХХ.
5. Попытаться выполнить и записать активный тест "Test the Turbo Charger Step Motor (Turbo Motor Test)".
6. В зависимости от результатов и/или от желания, стоит (м.б. одновременно с активным тестом) записать осциллограммы в ключевых точках системы (5 каналов "для полного счастья"):
001.gif
Предполагаю, что после этих несложных проверок и проверки подвижности штока и управляемости электромоторчика, виновник неисправности будет найден.

1/2 off. E.g. Turbocharger System Data at Acceleration 2KD-FTV (fr.)
E.g. Turbocharger (comm) system data List
E.g. Turbocharger (comm) system data List
vadimf
Сообщения: 111
Зарегистрирован: 25 фев 2016, 23:29

Re: Toyota Land Cruiser Prado KDJ120L_DTC P0045

Сообщение vadimf »

Спасибо, все понятно. Замеры осциллографом сделаю на сервомоторе и датчике положения, активный тест запишу. На следующей недели думаю к среде отпишусь.
vadimf
Сообщения: 111
Зарегистрирован: 25 фев 2016, 23:29

Re: Toyota Land Cruiser Prado KDJ120L_DTC P0045

Сообщение vadimf »

Здравствуйте, отпишусь по работе.
Активный тест сервомотора провел раза 3, последний с осциллограммой и после этого питание на нем пропало, больше на тест он не реагировал. Нашел сгоревший пред VISCUS-7.5A, результата не дало. Начал проверять проводку, нашел перетертые провода в районе дроселя. Перетерлись об алюминиевую трубку отопителя салона, но провода к турбине отношения не имели. Нашел блок DRIVER TURBO MOTOR, питание на нем есть. Вскрыл блок и обнаружил сгоревший транзистор... завтра найду аналог.
Осциллограмму снимал только с сервомотора, до датчика положения тяжело добраться к разъему и решил сделать вторым заходом подняв авто на подъемнике, но сервомотор уже не реагировал на тест.
Да, и во время теста когда сервомотор еще работал напарник смотрел за штоком, шток передвигался свободно
Вложения
LAND CR PRADO_1KDFTV_09.02.2018 100442.rar
(16.14 КБ) 1075 скачиваний
активный тест сервомотора.rar
(2.23 МБ) 1014 скачиваний
20180207_181651.rar
(1.17 МБ) 1016 скачиваний
20180207_150815.rar
(832.43 КБ) 1060 скачиваний
20180207_150810.rar
(926.15 КБ) 1011 скачиваний
Аватара пользователя
alflash
Сообщения: 4214
Зарегистрирован: 18 фев 2007, 21:46
Откуда: Одесса
Контактная информация:

Re:Грустно это как-то ...

Сообщение alflash »

Плиз, перед просмотром/записью осциллограмм, введите названия всех подключаемых каналов осциллографа, которые бы соответствовали названию соответствующих сигналов на схеме, выложенной в вашей теме на форуме.
Чтобы потом не путаться какая осциллограмма соответствует какому сигналу.
В осциллограмме, надо полагать, сигналы "М+" и "М-". а где другая пара (сигналов ECM)? Не хватило каналов или времени?

Что с DTC P0405?

Покажете лог после ремонта, аналогичный "Data 3" лога при неисправности P0045?

Может стоит запастись ещё одним транзистором (для другого плеча управления эл. мотором).
vadimf
Сообщения: 111
Зарегистрирован: 25 фев 2016, 23:29

Re: Toyota Land Cruiser Prado KDJ120L_DTC P0045

Сообщение vadimf »

По поводу сигналов с ECM, у меня нет литературы на дизель я и не знал где находиться блок управления турбиной. Предполагал, что где то рядом с ЭБУ ну и наткнулся на него сразу как только снял нижнюю накладку под бардачком. Теперь зная расположение всех блоков вызвонить соответствующие пины не затруднит, но это после замены транзистора.
По ошибке 0405, клапан егр неисправен и ЭБУ было прошито под евро2. Сейчас вернули старую прошивку для ремонта.
Аватара пользователя
alflash
Сообщения: 4214
Зарегистрирован: 18 фев 2007, 21:46
Откуда: Одесса
Контактная информация:

Re: Toyota Land Cruiser Prado KDJ120L_DTC P0045

Сообщение alflash »

vadimf писал(а):...Сейчас вернули старую прошивку для ремонта.
Покажите Health Check незалипушного ПО - возможно авто нуждается в New CID.
vadimf
Сообщения: 111
Зарегистрирован: 25 фев 2016, 23:29

Re: Toyota Land Cruiser Prado KDJ120L_DTC P0045

Сообщение vadimf »

Всем привет. Сегодня собрал авто и провел активный тест с осциллограммой. По течстрим не увидел изменений в работе двигателя во время активного теста актюатора турбины.
Клиент, уже как час катается и пока неисправностей нет.
Вложения
LAND CR PRADO_1KDFTV_14.02.2018 124044-турбина.7z
(2.79 КБ) 1071 скачивание
активный тест прадо.7z
(2.32 МБ) 1033 скачивания
Аватара пользователя
alflash
Сообщения: 4214
Зарегистрирован: 18 фев 2007, 21:46
Откуда: Одесса
Контактная информация:

Re: Toyota Land Cruiser Prado KDJ120L_DTC P0045

Сообщение alflash »

  • a) нет лога, аналогичного скрину показанного ранее (хотя бы на неподвижной машине) и желательного с All Data,
    б) автомобиль 2005 г.в. смотрится как авто 2010-2011MY.
    в) в осциллограммах каналы не поименованы в соответствии скрину схемы соединения модулей этой системы, что не упрощает и не лишает двойственности их понимания. И что было "заказано" ранее.
Если порядок подключения каналов остался прежним, то ясно, что теперь электропривод недополучает один из сигналов управления. Хотя в предыдущей осциллограмме какой-никакой этот сигнал был.
Надеюсь, что была проведена "ручная" проверка работоспособности электромотора, хотя результаты неизвестны.

В этой ситуации и с учётом FFD тест-драйв просто ни к чему.

Офф.
ECD_Data153446fr.gif
Закрыто