Nissan Maxima QX 2.0 V6 помогите с схемой.

Модератор: alflash

Ответить
alfa
Сообщения: 519
Зарегистрирован: 09 сен 2015, 22:40

Nissan Maxima QX 2.0 V6 помогите с схемой.

Сообщение alfa »

Nissan Maxima QX 2.0 V6 двиг. VQ20DE ,1999-2000 г.в. 6цил.
Проблема со слов хозяина в постоянно сгорающих катушках, хозяин правда дятел ещё тот, на свечах экономит.
Массы ИКЗ,форсунок и ещё чегось выведены на ГБЦ. Прозвонил от минуса катушек, на мотор,кузов, аккум, всё нормально.
Буду рад схеме и если можно точки крепления масс. Он уехал на четырёх цилиндрах, желает заменить только одну :D :D .
Аватара пользователя
alflash
Сообщения: 4214
Зарегистрирован: 18 фев 2007, 21:46
Откуда: Одесса
Контактная информация:

Re: Nissan Maxima QX 2.0 V6 помогите с схемой.

Сообщение alflash »

VIN авто?
Модель A32 или 33?
f40.gif
f40.gif (12.71 КБ) 48391 просмотр
Осциллограммы сигнала управления катушками?
Код(ы) неисправности?
alfa
Сообщения: 519
Зарегистрирован: 09 сен 2015, 22:40

Re: Nissan Maxima QX 2.0 V6 помогите с схемой.

Сообщение alfa »

alflash писал(а): A32 или 33
А что,есть разница? Сегодня вина нет, смогу только в понедельник утром.
Аватара пользователя
alflash
Сообщения: 4214
Зарегистрирован: 18 фев 2007, 21:46
Откуда: Одесса
Контактная информация:

Re: Nissan Maxima QX 2.0 V6 помогите с схемой.

Сообщение alflash »

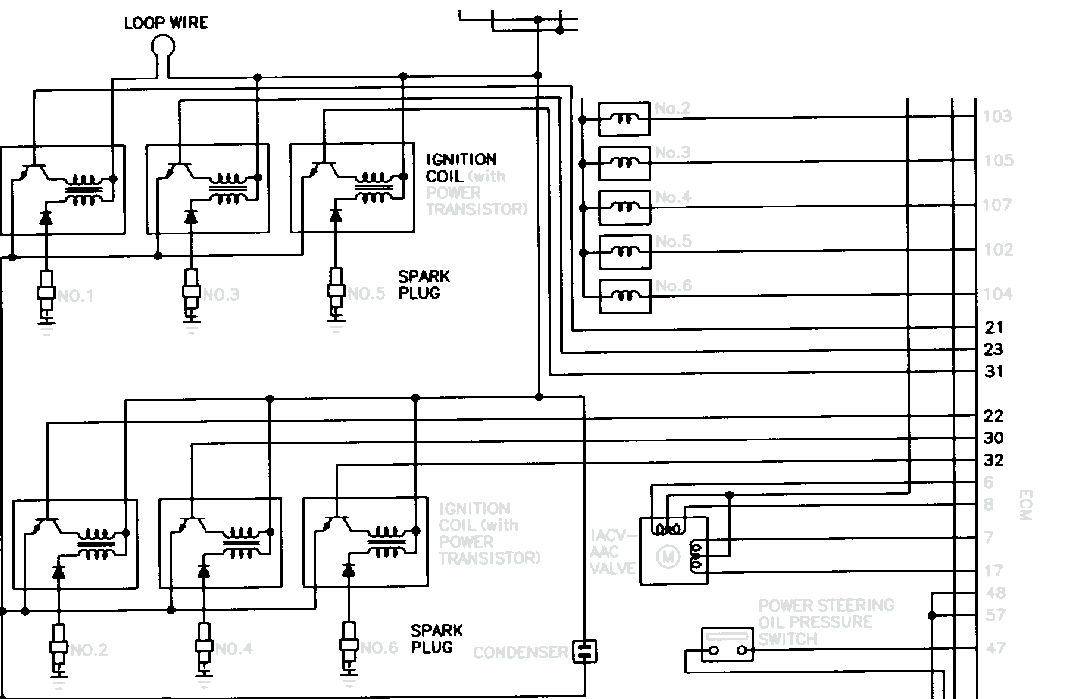
Во вложении архив с схемой Maxima QX 2000MY (в формате .xps)
Вложения
a33qx.rar
(799.05 КБ) 1019 скачиваний
alfa
Сообщения: 519
Зарегистрирован: 09 сен 2015, 22:40

Re: Nissan Maxima QX 2.0 V6 помогите с схемой.

Сообщение alfa »

Инструкцию дайте пожалуйста, чем эти файлы открывать. Может лучше сразу выкладывать в нормальном формате?
Аватара пользователя
alflash
Сообщения: 4214
Зарегистрирован: 18 фев 2007, 21:46
Откуда: Одесса
Контактная информация:

Re: Nissan Maxima QX 2.0 V6 помогите с схемой.

Сообщение alflash »

Загрузите https://www.microsoft.com/ru-ru/downloa ... x?id=11816
А пока устанавливается, то фрагмент из того файла
2a.PNG
alfa
Сообщения: 519
Зарегистрирован: 09 сен 2015, 22:40

Re: Nissan Maxima QX 2.0 V6 помогите с схемой.

Сообщение alfa »

Спасибо!!! На схеме много кросировок, ещё бы узнать где они находятся и точки масс. Спасибо ещё раз.Но самый лучший для меня результат,если это чудо не приедет:))). Свечи 40 тысяч не менял, а после замены грит,вот раньше було лучше. там две катушки мёртвые, нет заказали одну, а вдруг оно пронесёт. Завтра на работе буду читать.
Аватара пользователя
alflash
Сообщения: 4214
Зарегистрирован: 18 фев 2007, 21:46
Откуда: Одесса
Контактная информация:

Re: Nissan Maxima QX 2.0 V6 помогите с схемой.

Сообщение alflash »

alfa писал(а):...Свечи 40 тысяч не менял, а после замены грит,вот раньше було лучше. там две катушки мёртвые, нет заказали одну, а вдруг оно пронесёт...
При такой "внутренней картине заболевания", действительно, этого клинта лучше потерять.
alfa
Сообщения: 519
Зарегистрирован: 09 сен 2015, 22:40

Re: Nissan Maxima QX 2.0 V6 помогите с схемой.

Сообщение alfa »

Ага, ватник полный. Первым делом начал буровить где его свечи. Не верил,что в мусорнике. Закатил истерику, типа вывсёврёте ))), даже в контейнер ходил смотреть. Поэтому на улице поставил одну катушку, после вторую и ауфидерзейн, чемодан-вокзал.
Ещё раз,спасибо.
Ответить