Lexus LX470 C1736 C1764 и не только

Модератор: alflash

alfa
Сообщения: 519
Зарегистрирован: 09 сен 2015, 22:40

Re: Lexus LX470 C1736 C1764 и не только

Сообщение alfa »

Для тех кто в танке можно чуть помедленней?)))
Вы просто подали 12В на блокиратор и выставили руль?
Аватара пользователя
Marcinkevich
Сообщения: 303
Зарегистрирован: 05 янв 2016, 18:31
Откуда: Ханты-Мансийск

Re: Lexus LX470 C1736 C1764 и не только

Сообщение Marcinkevich »

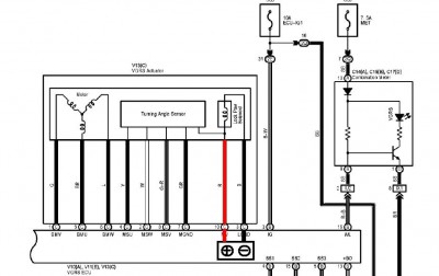
Методика принудительного выравнивания рулевого колеса относительно рулевой рейки возможна лишь при непосредственном разблокировании Lock Paw Solenoid, путем подачи на него питания аккумуляторной батареи, по методике указанной на форуме Lexus. Для контроля повторюсь и опишу методику еще раз:
1. Находим блок управления VGRS левее рулевого вала под панелью коленей водителя, см. фото1. Снимаем разъем и находим нужные выводы данного нам соленойда. В цвете проводов ошибиться трудно, классика жанра красный (+), черный (-).
2. Снимаем клемму с акб. Подготавливаем провода и простым подсоединением соответствующих контактов. И самое главное не забываем поставить ключ зажигания в положение ACC, для предотвращения блокировки руля!
3. Подаем питание на Lock Paw Solenoid с АКБ и поворачиваем рулевое колесо в нужное положение.
Все достаточно примитивно и относительно безопасно. В качестве плюса вы получаете экономию времени на снятие рулевого колеса, а так же возможность максимально точной установки его положения. После пропажи питания АКБ, контрольная лампа VGRS моргает непрерывно.
4. Если после принудительной установки рулевого колеса провести процедуру калибровки VGRS через сканер, то через короткое время поездки руль опять сбивает свое положение. Замечено, что если после принудительной установки руля, не производить процедуру калибровки, а просто совершить поездку и превысить 10км/ч, то руль сохраняет свое заданное положение (тест длится уже вторую неделю, всё отлично) и индикатор VGRS благополучно тухнет.

Примечание: параметр в дате Straight Angle Valid Flag после скидывания клеммы с акб имеет статус Invalid, после поездки со скоростью выше 10км/ч, данный параметр приобретает значение Valid. Один из вариантов перевода значения данного параметра звучит так:
"Straight Angle Valid Flag Признак достоверности центрального положения рулевого колеса /
Valid (достоверно) или Invalid (недостоверно)
Калибровка "нуля" датчика угла поворота рулевого колеса выполнена: Valid
Калибровка "нуля" датчика угла поворота рулевого колеса не выполнена: Invalid".
Вложения
VGRS Unblck PIN.JPG
VGRS Unblock.JPG
Аватара пользователя
alflash
Сообщения: 4214
Зарегистрирован: 18 фев 2007, 21:46
Откуда: Одесса
Контактная информация:

Re: Lexus LX470 C1736 C1764 и не только

Сообщение alflash »

Спасибо за описание.
Просто вопрос. Пробовали выполнить ту же задачу с помощью Techstream (процедура "Steering Angle Adjust")?
alfa
Сообщения: 519
Зарегистрирован: 09 сен 2015, 22:40

Re: Lexus LX470 C1736 C1764 и не только

Сообщение alfa »

И от меня низкий поклон,очень интересная тема. Сам с таким не сталкивался, пока только читаю. Вот несколько страниц http://www.auto-bk.ru/forum/topic/40994 ... уля/page-5 правят все дамп, и так стало интересно попробовать на таком авто слить дамп, откалибровать как завещал)) Marcinkevich, потом после калибровки опять слить и сравнить. Наверное бред пишу?))
Mеханик
Сообщения: 95
Зарегистрирован: 22 дек 2011, 02:20

Re: Lexus LX470 C1736 C1764 и не только

Сообщение Mеханик »

alflash писал(а):Пробовали выполнить ту же задачу с помощью Techstream (процедура "Steering Angle Adjust")?
Даже Карманскан это умеет, и если не изменяет память скрепка с бубном тоже помогает, т.е 4 и 13.
Аватара пользователя
alflash
Сообщения: 4214
Зарегистрирован: 18 фев 2007, 21:46
Откуда: Одесса
Контактная информация:

Re: Lexus LX470 C1736 C1764 и не только

Сообщение alflash »

Mеханик писал(а):
alflash писал(а):Пробовали выполнить ту же задачу с помощью Techstream (процедура "Steering Angle Adjust")?
Даже Карманскан это умеет, и если не изменяет память скрепка с бубном тоже помогает, т.е 4 и 13.
Наверно все-таки 4 и 12 (aka Ts).
Аватара пользователя
Marcinkevich
Сообщения: 303
Зарегистрирован: 05 янв 2016, 18:31
Откуда: Ханты-Мансийск

Re: Lexus LX470 C1736 C1764 и не только

Сообщение Marcinkevich »

alflash писал(а):Спасибо за описание.
Просто вопрос. Пробовали выполнить ту же задачу с помощью Techstream (процедура "Steering Angle Adjust")?
Пробовал. Процедура калибровки в блоке VGRS есть, но при ее прохождении углы поворота становятся 0 гр.
При просьбе программы в процессе калибровки руль поворачивал влево и вправо, но ощущал при этом связь с рулевой рейкой... соответственно "чудесного поворота не произошло". Постараюсь вызвать автомобиль еще для изучения, но ввиду того что все работает, владелец не спешит ехать... Говорит - "Все работает и лучше не лезти". :roll:
Аватара пользователя
alflash
Сообщения: 4214
Зарегистрирован: 18 фев 2007, 21:46
Откуда: Одесса
Контактная информация:

Re: Lexus LX470 C1736 C1764 и не только

Сообщение alflash »

Marcinkevich писал(а):Методика принудительного выравнивания рулевого колеса относительно рулевой рейки возможна лишь при непосредственном разблокировании Lock Paw Solenoid, путем подачи на него питания аккумуляторной батареи, по методике указанной на форуме Lexus...
Marcinkevich писал(а):
alflash писал(а):...Просто вопрос. Пробовали выполнить ту же задачу с помощью Techstream (процедура "Steering Angle Adjust")?
Пробовал. Процедура калибровки в блоке VGRS есть, но при ее прохождении углы поворота становятся 0 гр.
При просьбе программы в процессе калибровки руль поворачивал влево и вправо, но ощущал при этом связь с рулевой рейкой... соответственно "чудесного поворота не произошло"...
Я спрашивал о попытке Unlock the VGRS actuator НЕ с помощью описанного внешнего подключения аккумулятора к этому соленоиду, а посредством Techstream, когда actuator Lock will be disengaged во время выполнения функции "steering angle adjust":
act_lock.gif
act_lock.gif (2.92 КБ) 17643 просмотра
Аватара пользователя
Marcinkevich
Сообщения: 303
Зарегистрирован: 05 янв 2016, 18:31
Откуда: Ханты-Мансийск

Re: Lexus LX470 C1736 C1764 и не только

Сообщение Marcinkevich »

Что здесь сказать? Нужно пробовать еще раз, более внимательно... 8)
Аватара пользователя
Marcinkevich
Сообщения: 303
Зарегистрирован: 05 янв 2016, 18:31
Откуда: Ханты-Мансийск

Re: Lexus LX470 C1736 C1764 и не только

Сообщение Marcinkevich »

В дополнении темы про систему VGRS на Lexus LX470 приложу интересный файлик:
2703 LEXUS LX470 Chassis.rar
(3.37 МБ) 774 скачивания
Ответить