Q. to Toyota Hiace 2KD-FTV [ DTC 78(6) ]

Модератор: alflash

Аватара пользователя
admin
Admin
Сообщения: 372
Зарегистрирован: 18 фев 2007, 15:37
Контактная информация:

Q. to Toyota Hiace 2KD-FTV [ DTC 78(6) ]

Сообщение admin »

Toyota Hiace 2002 г.в., KLH
Код "Fuel Pressure Regulator System Malfunction" (и с незавидным постоянством).
Ищу (для этого двигателя этого авто) значение "Target Drop Rate").
MakNathal
Сообщения: 245
Зарегистрирован: 17 сен 2008, 03:08
Откуда: Украина, г.Ровно

Сообщение MakNathal »

У друга эта машина с таким мотором. Лаунчем видно данный параметр?
Когда то подключался но актуальных данных маловато
Аватара пользователя
alflash
Сообщения: 4214
Зарегистрирован: 18 фев 2007, 21:46
Откуда: Одесса
Контактная информация:

Сообщение alflash »

Привет!
Это не параметр, который показывается в режиме Mode#1 *.
Я не уверен, что ланч знает режим MONITOR RESULT (aka Mode#6), например, как это доступно достойным сканерам:
Изображение или Изображение
И в котором выводятся (среди прочих),
- VAL (Test Value) – результат проверки
- LMT (Test Limit VALUE) – значение допустимого предела и т.д.

* Active Test, Fraze Frame доступные нормальному ( :D ) сканеру :
Изображение , Изображение
MakNathal
Сообщения: 245
Зарегистрирован: 17 сен 2008, 03:08
Откуда: Украина, г.Ровно

Сообщение MakNathal »

Так "Target Drop Rate" находиться в актуальных данных которые можно считать через OBD-II? Или же это результат "мониторов"?

Есть ещё PDL-1000 с помощью которого, я думаю, можно будет почитать данную машину.
Аватара пользователя
alflash
Сообщения: 4214
Зарегистрирован: 18 фев 2007, 21:46
Откуда: Одесса
Контактная информация:

Live Data aka Data Stream

Сообщение alflash »

Не думаю, что PDL-1000 способен показать параметров больше, чем их есть в регистрах БУ. Не помешало бы знание Reference Value для Target Pump Current этой машины и смущает, что Revised Injection Volume #3 ощутимо отличается и знаком абсолютным значением.
MakNathal
Сообщения: 245
Зарегистрирован: 17 сен 2008, 03:08
Откуда: Украина, г.Ровно

Сообщение MakNathal »

alflash писал(а):Не думаю, что PDL-1000 способен показать больше, чем в
Думаю да.
alflash писал(а):не помешало бы знание Reference Value для Target Pump Current ...
Дело в том что для данной машины у меня отсутсвуют мануалы, так что приходиться руководствуваться мануалом по Hilux'у 2005> с таким же мотором и в Data List даже не упоминаеться про "Pump Current".
dump.ru/file/2941237 - Data List
MakNathal
Сообщения: 245
Зарегистрирован: 17 сен 2008, 03:08
Откуда: Украина, г.Ровно

Сообщение MakNathal »

78-ой ошибке соответсвуют две неисправности OBD-II.
Может чем поможет.

http://dump.ru/file/2941257]P0088/78 and/or P1229/78
Аватара пользователя
alflash
Сообщения: 4214
Зарегистрирован: 18 фев 2007, 21:46
Откуда: Одесса
Контактная информация:

Сообщение alflash »

MakNathal писал(а):78-ой ошибке соответсвуют две неисправности OBD-II.
Может чем поможет. dump.ru/file/2941257 - P0088/78 and/or P1229/78
Спасибо за участие и такой интерес к этой теме! Если не возражаете, то уточню.
P0088 (Fuel Rail / System Pressure - Too High*) более поздних 2KD-FTV скорее соответствует 78(3) - Fuel Pump Circuit Malfunction (Over Pressure) этой машины.
P1229 - Fuel over-feed: Internal fuel pressure continues exceeding target fuel pressure despite ECM closing SCV имеет практически аналогом её DTC 78( 8 ).
В рассматриваемом авто сидит DTC 78(6) - Fuel Pressure Regulator*** System Malfunction**, которые весьма близок (по месту неисправности) к DTC P1272 и P1271 (OBD-II), но 1KD-FTV.
Хотя неисправность Pressure Limiter-a упоминается в описании DTC P0088 и P0093 поздних 2KD-FTV

*Насколько я понимаю, проблем с давлением при заведенном двигателе вроде и нет ("Reference Value: COMN RAIL Pressure Engine at Idling: 28-32 MPa")
** DTC Detection Conditio: Fuel Relief Valve remain Closed.
p.s.
Надеюсь днями опубликовать "отчет" о проделанной работе ;-)
Аватара пользователя
alflash
Сообщения: 4214
Зарегистрирован: 18 фев 2007, 21:46
Откуда: Одесса
Контактная информация:

The Problem is fixed

Сообщение alflash »

"На днях" не получилось, но тем не менее смотрите результаты диагностики и ремонта в
http://alflash.com.ua/hiace/index.html
ВД,
semirek
Сообщения: 78
Зарегистрирован: 25 сен 2011, 22:07

Re: Q. to Toyota Hiace 2KD-FTV [ DTC 78(6) ]

Сообщение semirek »

Уважаемый alflash.

На прошлой неделе приехала ко мне Toyota Hiace 2KD-FTV с точно такой же проблемой и DTC 78(6) как описано у вас в статье http://alflash.com.ua/hiace/index.html.

Во первых спасибо за статью всё очень доступно и по полочкам. Найти мануал именно по этому двигателю так и не смог, только отсканированая книжка в которой кроме описание кода никакой доп. информации. И хотел у вас узнать, можете ли вы поделиться схемой "примитивного девайса" (пара реле и щепотка радиодеталей), который был изготовлен вами для проверки работы регулятора давления, если конечно это не "военная тайна".


С уважением, Игорь.
Giving money and power to government is like giving whiskey and car keys to teenage boys
PJ O'Rourke
Аватара пользователя
alflash
Сообщения: 4214
Зарегистрирован: 18 фев 2007, 21:46
Откуда: Одесса
Контактная информация:

Re: Q. to Toyota Hiace 2KD-FTV [ DTC 78(6) ]

Сообщение alflash »

Привет!
Схему тогдашнего девайса, увы, не нашел.
Но "сегодня" проверил бы и применил такой:
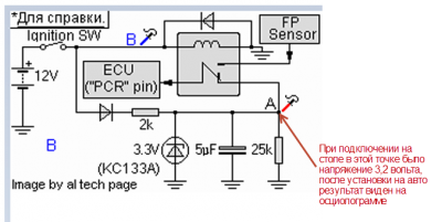
Изображение
Fuel Pressure Sensor Simulator and Emulation
Не факт, что причина кода в "тупости" клапана, но простота проверочного прибамбаса "стимулирует" попытку его использования :)

"Динамику" уменьшения давления в системе после остановки двигателя проверяли?
Identification Data этого Хайса?
semirek
Сообщения: 78
Зарегистрирован: 25 сен 2011, 22:07

Re: Q. to Toyota Hiace 2KD-FTV [ DTC 78(6) ]

Сообщение semirek »

Доброго дня. Спасибо за схему, согласен что - не факт что клапан неисправен, поэтому и хочу попробовать отдиагностировать его вашим методом.

Динамику изменения давления после выключения зажигания я к сожалению не посмотрел, потому как вашу статью нашёл и прочитал уже после того как разбирался с машиной. Нигде ничего так и не смог найти толкового по коду DTC 78(6) и только благодаря вашей статье картина прояснилась.

При KOEO давление в реке было = 0, сразу при запуске двигателя бодренько поднималось до 28-30 и далее всё с давлением было как положено, при увеличении оборотов росло, при сбросе опускалось до 30.

Проверю отпишусь.
Giving money and power to government is like giving whiskey and car keys to teenage boys
PJ O'Rourke
semirek
Сообщения: 78
Зарегистрирован: 25 сен 2011, 22:07

Re: Q. to Toyota Hiace 2KD-FTV [ DTC 78(6) ]

Сообщение semirek »

Спаял приспособу для проверки. Сегодня вызвоню авто для проверки ))

Смотрел работу мультиметром, про подаче питания 3,2в, при выключении падает на 1,9в потом на ноль. Поставлю на авто посмотрю осциллографом.
Вложения
Fuel Pressure Sensor Simulator
Fuel Pressure Sensor Simulator
Fuel Pressure Sensor Simulator
Fuel Pressure Sensor Simulator
Giving money and power to government is like giving whiskey and car keys to teenage boys
PJ O'Rourke
Аватара пользователя
alflash
Сообщения: 4214
Зарегистрирован: 18 фев 2007, 21:46
Откуда: Одесса
Контактная информация:

Re: Q. to Toyota Hiace 2KD-FTV [ DTC 78(6) ]

Сообщение alflash »

semirek писал(а):... Смотрел работу мультиметром, про подаче питания 3,2в, при выключении падает на 1,9в потом на ноль.
Способ выключения (отсоединение провода питания или выключение БП)?
Примечания.
Стоило бы проверить и при Uпит.=12 В, т.к. на диоде "теряется" примерно 0.6÷0.7 В.
Напомню. что при вышеуказанных номиналах постоянная времени разряда (36.8% от первоначального значения) той RC-цепи τ = R х C = 0.125 (сек).

Удачной проверки :)
semirek
Сообщения: 78
Зарегистрирован: 25 сен 2011, 22:07

Re: Q. to Toyota Hiace 2KD-FTV [ DTC 78(6) ]

Сообщение semirek »

alflash писал(а):Но "сегодня" проверил бы и применил такой:
Работает как положено и этот, ещё раз спасибо за статью и схему.
Вложения
00.png
01.png
Giving money and power to government is like giving whiskey and car keys to teenage boys
PJ O'Rourke
Аватара пользователя
alflash
Сообщения: 4214
Зарегистрирован: 18 фев 2007, 21:46
Откуда: Одесса
Контактная информация:

Re: Q. to Toyota Hiace 2KD-FTV [ DTC 78(6) ]

Сообщение alflash »

Ок, и спасибо за скрины ;)

Плиз, уточните. Какое именно напряжение подается в БУ (вместо датчика давления) во втором скрине (http://alflash.com.ua/phpBB2/download/file.php?id=1059)?
Вроде не 3.2 В, а с заметно меньшего
01.gif
01.gif (3.29 КБ) 59930 просмотров
В какой именно момент времени заглушен двигатель?
Давление топлива при ХХ прогретого двигателя?
semirek
Сообщения: 78
Зарегистрирован: 25 сен 2011, 22:07

Re: Q. to Toyota Hiace 2KD-FTV [ DTC 78(6) ]

Сообщение semirek »

Осциллограммы с не прогретого автомобиля.

По напряжению, сам не совсем понял, когда подключал девайс на столе было одно при установке на авто другое. Иглу осциллографа подключал в разъём ЭБУ. Зажигание выключается в момент начала первого резкого спада напряжения, потом что-то щёлкает под капотом и получается второй спад.
Вложения
Fuel Pressure Sensor Simulator
Fuel Pressure Sensor Simulator
Giving money and power to government is like giving whiskey and car keys to teenage boys
PJ O'Rourke
Аватара пользователя
alflash
Сообщения: 4214
Зарегистрирован: 18 фев 2007, 21:46
Откуда: Одесса
Контактная информация:

Re: Q. to Toyota Hiace 2KD-FTV [ DTC 78(6) ]

Сообщение alflash »

semirek писал(а):Осциллограммы с не прогретого автомобиля.

По напряжению, сам не совсем понял, когда подключал девайс на столе было одно при установке на авто другое. Иглу осциллографа подключал в разъём ЭБУ. Зажигание выключается в момент начала первого резкого спада напряжения, потом что-то щёлкает под капотом и получается второй спад.
Питание этого "девайса" откуда берется? От замка или от БУ?
Осциллограф откалиброван (например, Uбат он видит как 12.6 В)?
Ответить