Nissan Qashqai 1.6 уже незаводится.

Модератор: alflash

somebody
Сообщения: 141
Зарегистрирован: 08 апр 2012, 11:00
Откуда: Макеевка

Nissan Qashqai 1.6 уже незаводится.

Сообщение somebody »

Имеется Nissan Qashqai 1,6. Отсутствует сигнал с ДПРВ. Осцилки прилагаю. Опорное напряжение и сигнал.
Снимал 4 версией оболочки автоскопа.
Аватара пользователя
alflash
Сообщения: 4214
Зарегистрирован: 18 фев 2007, 21:46
Откуда: Одесса
Контактная информация:

Re: Nissan Qashqai 1.6 уже незаводится.

Сообщение alflash »

Осциллограммы сигналов датчиков валов см. вв http://alflash.com.ua/Almeras/Signals.pdf
hr16_f8.pdf
Разъем ECM
(58.95 КБ) 1250 скачиваний
Что есть "опорное напряжение"?
somebody
Сообщения: 141
Зарегистрирован: 08 апр 2012, 11:00
Откуда: Макеевка

Re: Nissan Qashqai 1.6 уже незаводится.

Сообщение somebody »

Имеем на терминалах 1 и 3 по 8в. При бортовом 12в.
somebody
Сообщения: 141
Зарегистрирован: 08 апр 2012, 11:00
Откуда: Макеевка

Re: Nissan Qashqai 1.6 уже незаводится.

Сообщение somebody »

Всем спасибо, жизнь вернулась.
Был плохой контакт провода массы на разъёме ЭБУ.
somebody
Сообщения: 141
Зарегистрирован: 08 апр 2012, 11:00
Откуда: Макеевка

Re: Nissan Qashqai 1.6 уже незаводится.

Сообщение somebody »

Завтра , выложу осцылки после поимки неисправности. А то уже дома.
Вот не смог сфоткать причинное место, уж больно оно неудобное.
Предыстория такова. Авто появилось после нескольких мастерских , где чистили форсунки (одни чистили не снимая, другие снимали) , меняли насос (ну нечем было давление топлива проверить)
нашли даже, пробитый колпачек на катушке (но свечи выкрутить несмогли). Ну а мы таки доказали , что не зря в Затоке лунные загары принимаем. :roll:
Хотя если посмотреть несколько с другого ракурса ЭБУ можно было и не вскрывать. На осцилках видно что масса плохая. (вот только где?).Но увы я еще не композитор. :oops:
Аватара пользователя
alflash
Сообщения: 4214
Зарегистрирован: 18 фев 2007, 21:46
Откуда: Одесса
Контактная информация:

Re: Nissan Qashqai 1.6 уже незаводится.

Сообщение alflash »

Раз уж зашла речь о делах давно минувших дней, то вопрос: FaultFinder FF310, столь подробно рассмотренный на последнем семинаре в Затоке, пробовали использовать для поиска места "плохой земли"?
+ проверили наличие "минуса" на других контактах ECM? Если что, то можно "организовать и свой минусовой провод" (видимо что Вы и сделали ;) )
hr16de_gr.gif
hr16de_gr.gif (7.83 КБ) 71613 просмотров
И как там дела с соединением "минуса" аккумулятора с кузовом и двигателем?
somebody
Сообщения: 141
Зарегистрирован: 08 апр 2012, 11:00
Откуда: Макеевка

Re: Nissan Qashqai 1.6 уже незаводится.

Сообщение somebody »

FaultFinder FF310 неножко сломался. Наверное карма у меня такая.(помните мой опыт с дымогенератором :wink: )
Владимир Петрович, Вы совершенно правы, так и было сделано. ( прям на контакт ЕСМ подали массу ) . Увидев на осциле пришедшие в порядок потенциалы, копнули глубже .
somebody
Сообщения: 141
Зарегистрирован: 08 апр 2012, 11:00
Откуда: Макеевка

Re: Nissan Qashqai 1.6 уже незаводится.

Сообщение somebody »

Тысячу извинений. Вчерась подвернулся билет на баскетбол пришлось отдохнуть. :oops:
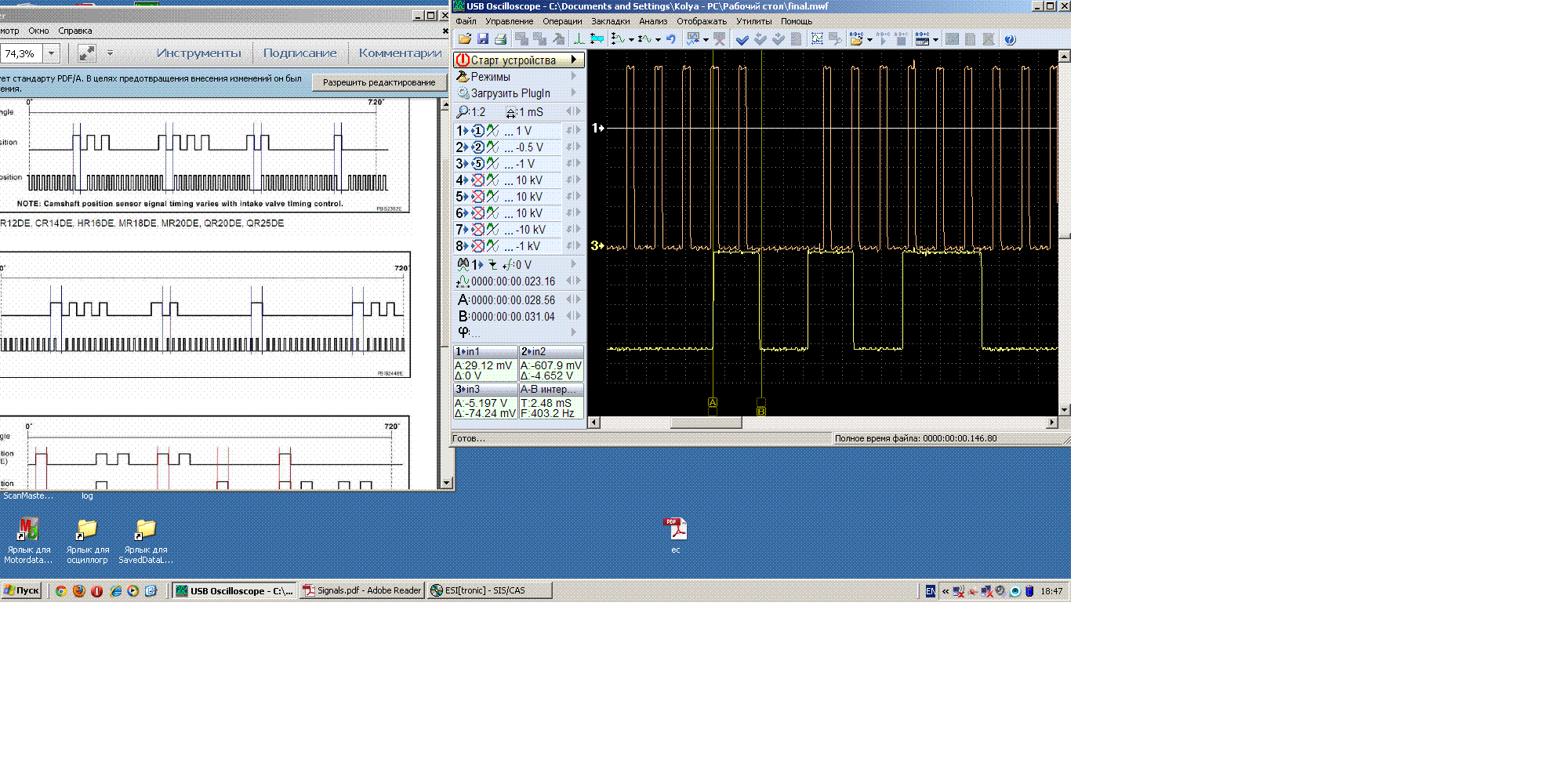
Вот обещанный финал .
Final.gif
Вложения
final.rar
(17.78 КБ) 1294 скачивания
Аватара пользователя
nazar
Сообщения: 182
Зарегистрирован: 08 апр 2011, 15:18
Откуда: г .Донецк

Re: Отдохнули. Посмотрели.

Сообщение nazar »

...По анализу Кашкая есть Ню.
Вложения
баскет1.GIF
баскет2.GIF
Аватара пользователя
alflash
Сообщения: 4214
Зарегистрирован: 18 фев 2007, 21:46
Откуда: Одесса
Контактная информация:

Re: Nissan Qashqai 1.6 уже незаводится.

Сообщение alflash »

Странная разница в форме сигналов скринов вроде как одной и той же осциллограммы final.mwf ...
Аватара пользователя
nazar
Сообщения: 182
Зарегистрирован: 08 апр 2011, 15:18
Откуда: г .Донецк

Re: Nissan Qashqai 1.6 уже незаводится.

Сообщение nazar »

я инверсии включил,типа как мануале
Аватара пользователя
alflash
Сообщения: 4214
Зарегистрирован: 18 фев 2007, 21:46
Откуда: Одесса
Контактная информация:

Re: Nissan Qashqai 1.6 уже незаводится.

Сообщение alflash »

nazar писал(а):я инверсии включил,типа как мануале
Но тогда получается, что сигналы датчиков отрицательной полярности (!)
Final1.gif
Аватара пользователя
alflash
Сообщения: 4214
Зарегистрирован: 18 фев 2007, 21:46
Откуда: Одесса
Контактная информация:

Re: Nissan Qashqai 1.6 уже незаводится.

Сообщение alflash »

qyrec писал(а):Вопрос в том что я отпустил авто с багами. Как говорится хозяин барин. Я так думаю что оно скоро вернется на предмет замены цепи.
Почём судите, что цепь надо бы поменять?
somebody
Сообщения: 141
Зарегистрирован: 08 апр 2012, 11:00
Откуда: Макеевка

Re: Nissan Qashqai 1.6 уже незаводится.

Сообщение somebody »

Фронты сигналов не совпадают с мануалами.
Аватара пользователя
nazar
Сообщения: 182
Зарегистрирован: 08 апр 2011, 15:18
Откуда: г .Донецк

Re: Nissan Qashqai 1.6 уже незаводится.

Сообщение nazar »

и почему в мануале одинаковые всплески ,а у Юры послений широкий
Вложения
Безымянный.GIF
Аватара пользователя
alflash
Сообщения: 4214
Зарегистрирован: 18 фев 2007, 21:46
Откуда: Одесса
Контактная информация:

Re: Nissan Qashqai 1.6 уже незаводится.

Сообщение alflash »

nazar писал(а):и почему в мануале одинаковые всплески ,а у Юры послений широкий
Это ешё одна непонятка ;)
Хорошо бы взглянуть (напрмер эндоскопом через отверстие, в которое вставляется датчик) одинаковой ли ширины "выступы" на валу
hr16de1.gif
hr16de1.gif (5.66 КБ) 65360 просмотров
М.б. это фича, а не баг ;)
Хотя в мануале так:
hr16de.gif
И заодно ещё один вопрос: терпит ли БУ такие сигналы, т.е. как у этого Qashqai с кодами неисправности?
Аватара пользователя
nazar
Сообщения: 182
Зарегистрирован: 08 апр 2011, 15:18
Откуда: г .Донецк

Re: Nissan Qashqai 1.6 уже незаводится.

Сообщение nazar »

Еще ,ESI(tronik) получается в заблуждения вводит
Вложения
баскет2.GIF
Аватара пользователя
alflash
Сообщения: 4214
Зарегистрирован: 18 фев 2007, 21:46
Откуда: Одесса
Контактная информация:

Re: Nissan Qashqai 1.6 уже незаводится.

Сообщение alflash »

Плиз, уточните чем именно?
Закрыто